-
15:21:15 16.5.2009
mi spis zahrci kdyz je to teple, pricitam to ridsimu oleji co stihl odtect ale jak to nabere tlak po startu tak zas ztichne takze to nevidim jako krizovku, celkove to diesel neni.. pomohlo dat selenii 20K, predtim jsem mel taky 10W40 ale jiny olej sice do porsche a nabeh tlaku po startu byl rychlejsi, ale ted tu selenii budu menit az po 15tis pac po 10tis je uplne v klidu ale ostatni oleje sou uz nemocne od 8tis
-
08:34:09 16.5.2009
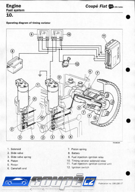
Ivo1,8 : čemu říkaš šoupátka?
-
08:32:29 16.5.2009
Ivo1,8 : čemu říkaš šoupátka?
-
21:21:51 22.4.2009
tezko rict kde pridrhava kdyz je vychozeny nebo zakarbonovany muze chytit sem i tam podle me...
-
21:01:33 22.4.2009
Jinak jak tak čtu, tak funkce není závislá jen na rpm...
-
20:59:42 22.4.2009
...
-
20:59:32 22.4.2009
...
-
20:31:17 22.4.2009
Co jsem pochopil z manuálu a přijde mi logický, tak solenoid sepne v ?určitých otáčkách?, pustí mazací tlak oleje do variátoru, kde přemáhá pístek, pod kterým je pružina. Zevnitř variátoru a na těle vačky je něco jakoby zatočený ozubení (závit) a tím pohybem od sebe vykoná otáčivej pohyb rozvodovýho kola vůči sací vačce. Když klesnou otáčky, solenoid vypne a olej se "vypustí". Když bude pružina "vymáčklá", tak se to podle mě bude bez tlaku oleje mydlit jak bude chtít a když bude ve variátoru tlak oleje, mohlo by to relativně fungovat. Ale můžu kecat, tak mě kdyžtak
-
20:13:25 22.4.2009
myslím že když je v prdeli tak je tam furt i po zahřátí......při studeném oleji to asi přestaví vačku uplně někam jinam než má....samotného by mě zajímalo jak přesně to funguje ale myslím že natáčí sací vačku a tím mění časování ventylů
-
17:49:02 22.4.2009
Tato součástka se zřejmě Fiatu nepovedla,jak o tom svědčí sousta dotazů na toto téma.Já mám dotaz ještě jeden.A sice,když mám variátor asi v dezolátním stavu a po nastartování se mění motor v diesel,na co je vadný variátor v tomto případě nastavený?V normálním provozu funguje na vyšší nebo nižžší otáčky?Tedy za kterých otáček(přibližně)funguje vadný variátor správně?Nevím jestli jsem to zde vysvětlil srozumitelně,ale doufám,že mne někdo pochopí.