hmm jn tak ecuscan 2.2 verze umi fakt jen motor 1.8 od 98 vys a 01 vys, takze vsichni s 1.8 96 a 97 a zacatek 98 smula a ostatni motory taky...takze oprava
zbyva teda uz jen Euroscan Visa 1.83 vcetne chipu a kabelu na 2 com porty z toho levneho co se da sehnat i na aukru do 2000,- jinak je spousta jinych softu ale drazsich jak coupe dneska :D zatim nejlepsi se mi zdal od bosche kts ale ktera rada to byla to uz nevim ale vim ze ji tu v CR v servise nema nikdo, lezi za cenu nejakeho mega na VSB-TU
Diagnostický konektor
-
05:44:12 20.5.2010
-
10:26:37 19.5.2010Fiatecuscan umí jen bag a abs a jedině Hitachi jednotky na 1,8.
-
09:19:21 19.5.2010Jelo už to vidím, to by byla fronta jako za komančů na banány :-D
-
08:34:43 19.5.2010jn hlavni problem je ze to potrebuje komp s dvema com portama a takovy notas je tezke dneska sehnat a cely komp asi nepotahne nikdo, jinak fiatecuscan.net ma porad nove a nove verze a na to staci redukce na fiata a kkl vag nebo elm327 a melo by to fachat a ruzne motorizace a bagy a kde co a je to zadara, jen bohuzel 1.8 do roku 98 vcetne jeste porad nemaji
-
17:29:24 18.5.2010Hej tak to by bylo hustý!!!Ale pochybuju ze by se s tím někdo tahnul..Ale taky bych uvítal!;)
-
17:03:28 18.5.2010A NECHCETE NĚKDO VZÍT TU DIAGNOSTIKU DO TŘEBÍČE ????????
-
19:34:07 1.4.2010jo mi taky nikdo neveril ze to potahne a pak chytne druhy dech... zrejme se natoci variator a nacasuje jinak.. VFD
-
18:50:59 1.4.2010Co by to mohlo dělat?...Jedu-normálka nad 3 tis. cejtím jak se "zvedne výkon-chytne tah"....pak zas jedu a nad 5tis to stejný...motor 1.8
-
18:31:34 1.4.2010Dnes tu bylo Coupe 16v atmo :-)
-
12:21:53 1.4.2010Připomínám, kdyby někdo z okolí Ml. Boleslavi potřeboval diagnostikovat Coupe, případně jakýhokoliv Itala, stačí se ozvat. Cena symbolických 100Kč.
-
17:47:20 30.3.2010netusim jak je delane 20V ale hledal bych od filtru po klapku
-
13:03:57 30.3.2010Já si to myslel a jak mám tyo nastvit otacky na 20V?Potreboval bych to krapet zvednout..
-
11:49:31 30.3.2010ja mam 1.8 to ti moc nepomuze
-
11:43:41 30.3.2010Nemohl jsem nikde na petivalu ten volnobeznej ventil najít..:( Udelej mi pls foto na tvým kde to je já se mrknu jestli to mám taky tak..Dík moc!
-
05:03:19 30.3.2010sroubovakem a sroubkem pod volnobeznym ventilem, u 1.8 volnobeznak dolu a klestickama, u jinych verzi normalne z venku
........
nastavuj to na horkem motoru a po kazdem potoceni potahni aspon 2x za plynove lanko at si to chlemstne a srovna se -
21:07:39 29.3.2010Co třeba nastavení volnobeznejch otáček?To se dá nastavit jak?
-
18:32:12 29.3.2010Jo pravda. Jde třeba zapnout EGR, zapnout větráky na chladiči, rozsvítit kontrolku vstřikování, a další.
-
17:49:12 29.3.2010..a testuje akcni cleny :D
-
17:47:41 29.3.2010Elkar: Nic moc, číst, mazat chybová hlášení a zobrazovat aktuální hodnoty, viz foto. Vlastně ani víc nepotřebuješ :-)
-
15:37:00 29.3.2010wejwy zprubni tohle http://pandemonia.mysteria.cz/DIAG/UNI_CZ.zip
melo by to byt cele cesky ale jeste sem to nemel cas testnout, ja sem zatim vsadil na aglickou verzi, ale pokud by to bylo cesky i dal nez jen uvod tak by to bylo dobry -
15:15:16 29.3.2010btw. co všechno to ještě měří?
-
14:25:46 29.3.2010_ACE_: existuje náhrada, do který se musí malinko upravit program. Tu náhradu tam mam já.
-
13:30:31 29.3.2010Díky wejwy pisu si te a urco se ozvu až bude casek..Díky,tobě taky Ravene za info a nabídku..;)
-
13:25:29 29.3.2010wejvy:zatím jsem zjistil že ten atmel se nedá sehnat.Máš zdroj?
-
13:24:54 29.3.2010von Raven :D: českou verzi nemam, tu poločeskou jsem zkoušel, to stálo za houby, menu bylo český a výpis chyt v "čínštině" :-D
Kdyby si měl funkční cz verzi, byl bych za ní rád. -
13:21:23 29.3.2010tak to budu muset fakt k wejwymu když to mám 93 :-D
-
13:19:29 29.3.2010uniscan zvlada i starsi ale ....
vetsina tech univerzalu je takova ze treba v uniscanu sou auta co se rokove vozi jeste dneska po ceste ale jednotkama a spis verzeme tech jednotek to sou verze co se prodavaly jinde nez v cr, nevim proc to nemaji podle roku ale i podle kdo vi ceho
sou ale lepsi diagnostiky jako treba bosch kts vyssich cisel co se napoji na kde co a pokud se aspon trefi protokol jako ze jich az tak moc zase neni a ta spravna linka tak vytahaji aspon nejzakladnejsi infa
nejidealnejsi je az od roku 2000 kdy maji mit vsichni OBD jenze zase 2001 r.v. a stara jednotka, takze spolehlive az 2002 pro OBD konektory a fiaty radsi az 98 konec roku, ale kdo hleda a ma dost casu nebo nejlip prostredku ma sanci napojit i starsi -
13:12:19 29.3.2010Jsem četl že běžně fiat servis mají podporu je modelů rv. 98 a mladší...
jináč wejwy píšu si tě -
13:06:26 29.3.2010jj taky ji mame pred dvema rokama za 4000,- ale fakt sem to videl koncit kolem 1500,- i s tema redukcema
mas to komplet v cestine? mam nekolik verzi a ted bych mel mit i tu komplet ceskou pac nektere byly polocesky a nektere nezobrazuji ceske znaky dobre
...
jj Feki neni problem ale konkretne tvoje 20V by melo umet se spojit i s jinyma diagnostikama a tusim to zvlada i fiatecuscan.net s kablem kkl na vw a redukci na fiat
jinak nekdy ti italsti volove davali na prechodove roky ruzne jednotky, treba moje 1.8 ma vsecko z 98 je to i rok 98 ale jednotku ma jak na svinu ze stare verze...takze treba tak... martynnz se nespojil mi to nabehlo okamzite -
12:56:01 29.3.2010_ACE_: Jo to je ono, jen když se do toho budeš pouštět, je tam pár chyb, ale pokud budeš pozornej, dají se lehce odhalit.
Feki: Když dáš něco na pivo, budu rád :-) Symbolická stovečka by stačila, nemam to na vydělávání, ale taky mě to něco stálo.
von Raven :D: No za 1500 většinou ty aukce začínaj, končí kolem 3tis. Nový jsou tak za 5tis. Já to za 1500 rozhodně stavět nebudu, je stim práce na hodně hodin a 1500 je tak na součástky.
Feki: ok1nfa@seznam.cz 733572085 Mladá Boleslav -
12:02:39 29.3.2010Safra to mám přes 200km když pojedu z HK..:( A wejwy co ty teda?
von Raven: když nebude nic jinyho tak se tam možna ukazu ze by jsme si udelali výlet víš jak..;) uvidíme.. -
11:52:02 29.3.2010jj sever moravy, tak nekde uprostred jak je ostrava, opava a novy jicin
-
11:50:28 29.3.2010Chtěl bych k někomu prave preventivně..S autem nic asi není,jen to vidět v akci a tak..Ravene ty si ale až z moravy ne?
-
09:32:45 29.3.2010ti co se tim zivi to delaji za 300,- ja mam taky par druhu diagnostik a neco ma i bratranec a zatim zadara
-
01:30:27 29.3.2010napiš mail, uložím si tě pro případ diagnostiky :-) protože nevěřím že umělcům ve fiat servise by se to povedlo.
-
18:24:22 28.3.2010Ne myslel jsem na kolik nás vyjde napojeni..Nebo jestli je to zdarma..?;) Chtel bych i pokecat ohledně diagnostiky zajímá mě par věci..;)
-
18:20:39 28.3.2010na kolik to vyjde poskladat? na aukru to prodavaji obycejne kolem 1500 s aspon 6 ruznyma koncovkama na ruzne znacky
-
11:32:54 28.3.2010Wejwy co nás to bude stát?;) Klidne bych se zastavil na ,,preventivní napojeni'' nebo třebas jen na pokec..;)
-
11:17:11 28.3.2010To je toto zapojení?

-
09:20:49 28.3.2010Zatím odzkoušeno:
Fiat Bravo 1.9TD 100
Fiat Coupe 2.016v Turbo
Alfa Romeo 145 1.9JTD (motor + ABS)
-
09:18:46 28.3.2010Foto ze stavby

-
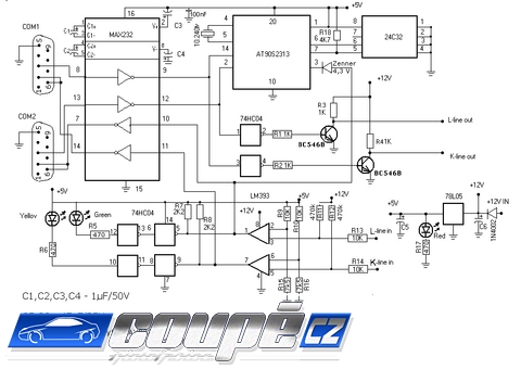
09:16:59 28.3.2010Hochu a ty se divíš? Uniscan ti v životě nebude fungovat s OBD kabelem, potřebuje svůj interface, kterej potřebuje 2 ser. porty. A chodí pouze v dosu.
Zde je moje aktuální sestava. Jinak interface jsem si stavěl sám a vše funguje bez problémů.
-
19:29:31 27.3.2010Tak to byl on ten konektor, dnes jsem diagnostikoval.
Jinak kdyby někdo potřeboval zdiagnostikovat coupe z okolí Ml. Boleslavi, může se ozvat na mejl.
-
13:40:13 26.3.2010tak to bude ono, ostatni motory to maji ukoncene zaslepkou tohle je uz nevim co, mozna otackomer nebo neco uz fakt nevim
-
18:51:23 25.3.2010Jj, jen jeden
-
16:46:38 25.3.2010ale je to 3pin konektor a ven pokracuje tusim uz jenom jeden drat ne? 16VT nemam tak se zkus jeste poptat
-
14:54:49 25.3.2010Dík, to jsem si myslel, ale dost mě zmátlo to, že do toho vede konektor a pokračuje to někam dál
-
19:21:23 24.3.2010podle obrazku stejne jako vsecky verze, vevnitr motoru u spolujezdcova tlumice, ale co si tak vzpominam tak ho nejaka verze ma neukonceny jako vyvod ale s necim dal napojenym co se da rozpojit
-
18:59:33 24.3.2010Zdravím, kde má 16vt diagnostický konektor (řídící jednotky motoru)?
Děkuji H.